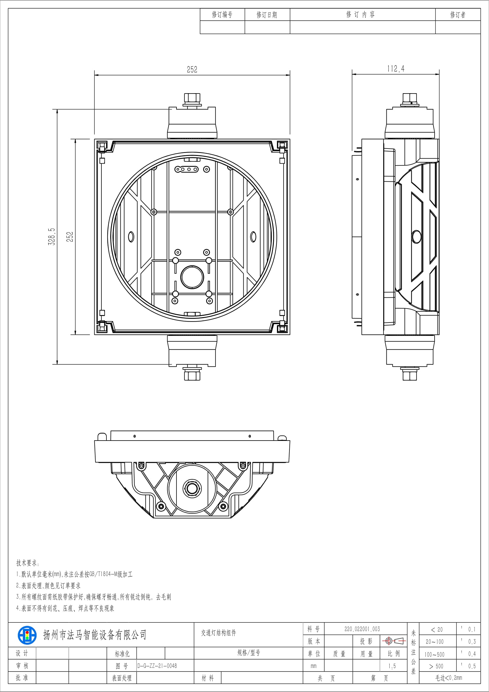
Semáforo de baixa potência com luzes vermelhas/verdes e formato de bola (duas unidades)
Ler mais

